
聯系人:肖經理
電話:0755-23197339
傳真:0755-29859300
手機:13828771664
郵箱:aotuoshi@atus.email
地址:深圳市光明區公明街道上村社區蓮塘工業城B區第19棟101、第20棟

丹尼遜PVT系列柱塞泵有點:
低噪聲:在整個工作范圍內噪聲水平均較低,改善了工作條件;
抗污染:提高了工作可靠性,維護成本降低;
大功率:額定工作壓力高,故其輸出功率較大。除PV29的最高瞬時工作壓力為4000psi(276bar)外,其余規格的最高瞬時工作壓力均為4500psi(310bar);
節約系統成本:較高的工作壓力允許系統所選用的元件較小,您可以減小系統的總體尺寸,從而真正節約了成本;
多泵通軸串聯:本系列液壓泵具有全功率通軸驅動功能,可以通過同一原動軸驅動多聯泵;
易用:油口配置有側面和尾部可供選擇,安裝、使用方便;
高效:具有極高的總效率;
高安全性:可使用抗燃液壓液;
結構簡單:可靠性提高,工作壽命長;
流量調節:利用標準的最大排量調節裝置,可對泵的最大輸出流量進行調節,以滿足您的需要;
互換性:安裝尺寸完全符合SAE法蘭安裝標準,油口連接符合BSPP或SAE-61四孔法蘭標準,可與任何其它符合SAE安裝標準的柱塞泵互換。
丹尼遜PVT系列柱塞泵特點:
丹尼遜PVT系列液壓泵是以壓力補償(恒壓)變量為基本控制功能的軸向柱塞式變量液壓泵,能滿足低噪聲和高效率的要求,設計正確、結構堅固,即使在嚴酷的條件下,也能提供可靠的液壓動力。?
使用本系列液壓泵,可方便地使您的機器的運行效率提高,性能得到升級,維修工作量減少。由于本系列液壓泵具有較好的與其它常用液壓泵的互換性,您可以使用本系列泵替代性能不能使您滿意的原有液壓泵。
丹尼遜PVT系列柱塞泵概述:

丹尼遜PVT系列柱塞泵控制方式:

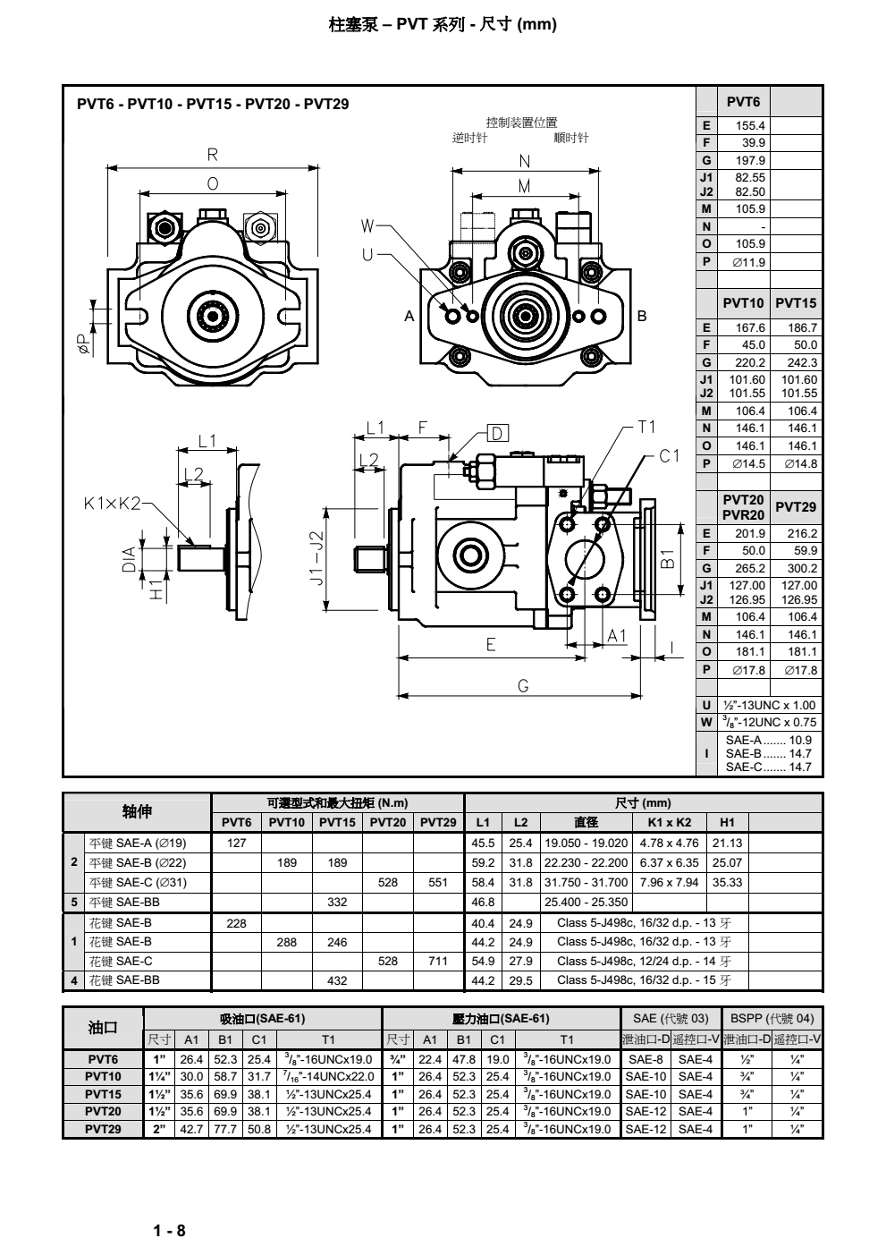
丹尼遜PVT系列柱塞泵尺寸:

